Как контролировать РоЕ под нагрузкой: особенности технологии и проверки, приборы для тестирования

Суточный ритм жизни большинства людей делится на три основные части: работа вместе с дорогой до нее и обратно, свободное время и сон. При этом комфорт каждого из этих периодов существенно увеличивается в случае наличии прямой или косвенной поддержки со стороны технических средств вычислительной техники и электросвязи. Эффект от их использования в рабочее время уже хорошо изучен, понятен и осязаем в виде роста производительности труда. Влияние же компьютеризации и телекоммуникаций на остальные 16 часов суточного жизненного цикла отчетливо обозначилось только в последние годы. Внешним проявлением процессов, сопутствующих их массовому внедрению в практику, стало появление таких комплексных объектов как «умные» дома и даже «умные» города. Под таковыми понимаются те жилые и общественные строения, а также урбанизированные территории в целом, инфраструктура которых обеспечивает максимальный комфорт постоянным обитателям и гостям.
Объем выполняемых действий, во многом определяющий качество функционирования системы управления умного города/дома, в реалиях сегодняшнего дня де-факто задается преимущественно многочисленными контроллерами и иным электронным оборудованием, которое расположено на обслуживаемой территории. Оно обеспечивает съем и первичную обработку информации о объекте установки системы, а также выдачу соответствующих управляющих команд на исполнительные устройства в случае выхода контролируемого параметра за пределы разрешенных допусков.
Технико-экономическая эффективность систем рассматриваемой разновидности существенно растет при объединении отдельных контроллеров вместе с иными вычислительными и телекоммуникационными устройствами в интегрированную информационно-коммуникационную систему (ИКС). Ее наличие позволяет контроллерам функционировать как единое целое вместе с иными терминальными устройствами типа камер дистанционного наблюдения, оборудованием контроля доступа и аналогичного.
Преимущества дистанционного питания электронной терминальной техники

Технический уровень современных «интеллектуальных» терминальных устройств не позволяет поддерживать их нормальное функционирование на протяжении длительного времени питанием от автономного гальванического элемента или аккумулятора. Решение же задачи электроснабжения подключением их к 220-вольтовой сети по классической схеме требует прокладки выделенных линий, что отрицательно сказывается на экономических параметрах, эксплуатационной надежности и пожарной безопасности системы в целом. Это происходит просто в силу большого количества отдельных линий даже при обращении к популярной для сетей электроснабжения шлейфовой схеме соединения. Как средство решения возникающей коллизии целесообразно использовать оборудование, которое обеспечивает передачу постоянного напряжения по основным или дополнительным цепям слаботочных кабельных трактов.
Дистанционное питание маломощных терминальных устройств может выполняться по-разному. В настоящее время для его реализации удобно использовать технику РоЕ, которая была целенаправленно создана для взаимодействия с сетевыми интерфейсами группы xBase-T. Эта особенность отражается даже в названии: аббревиатура РоЕ расшифровывается как Power over Ethernet.
РоЕ как технология не является абсолютной новинкой. Ее прямой аналог и предшественник был внедрен уже свыше ста лет тому назад на сетях классической телефонной связи. В данном конкретном случае такая схема использовалась при построении абонентского участка с питанием по схеме с так называемой центральной батареей. Аналогичный подход задействуется сейчас также в офисных телефонных сетях на основе учрежденческой АТС. Целесообразность распространения отработанных ранее принципов на современные системы автоматизации в целом определяются:
- широким распространением техники Ethernet в качестве средства объединения в единую структуру терминального и телекоммуникационного оборудования различного назначения;
- реализацией подавляющего большинства линий подключения терминального оборудования на электропроводных кабелях из витых пар (казавшиеся очень перспективными еще пару десятков лет тому назад проекты класса “волокно до рабочего места” сейчас носят единичный характер);
- относительно небольшими мощностями потребления большинства разновидностей терминального оборудования, что позволяет использовать для организации питания построенную ранее информационную структурированную кабельную проводку.
Системные особенности технологии РоЕ

Технические идеи, изначально заложенные в оборудования (активного) РоЕ, варианты его исполнения, согласование с информационной кабельной системы и иная полезная информация были подробно представлены ранее и с ними можно ознакомится в статьях:
- Стандарты питания от PoE до PoE++, внедрение и методы проверки
- Особенности витой пары и разъемов RJ-45 для поддержки PoE повышенной мощности
В данном случае остановимся только на тех особенностях этой техники, которые приобретают важное значение при выполнении процедур полевого тестирования техники этой разновидности. В дальнейшем при рассмотрении целенаправленно оставляются без внимания варианты организации дистанционного питания терминальных устройств с помощью:
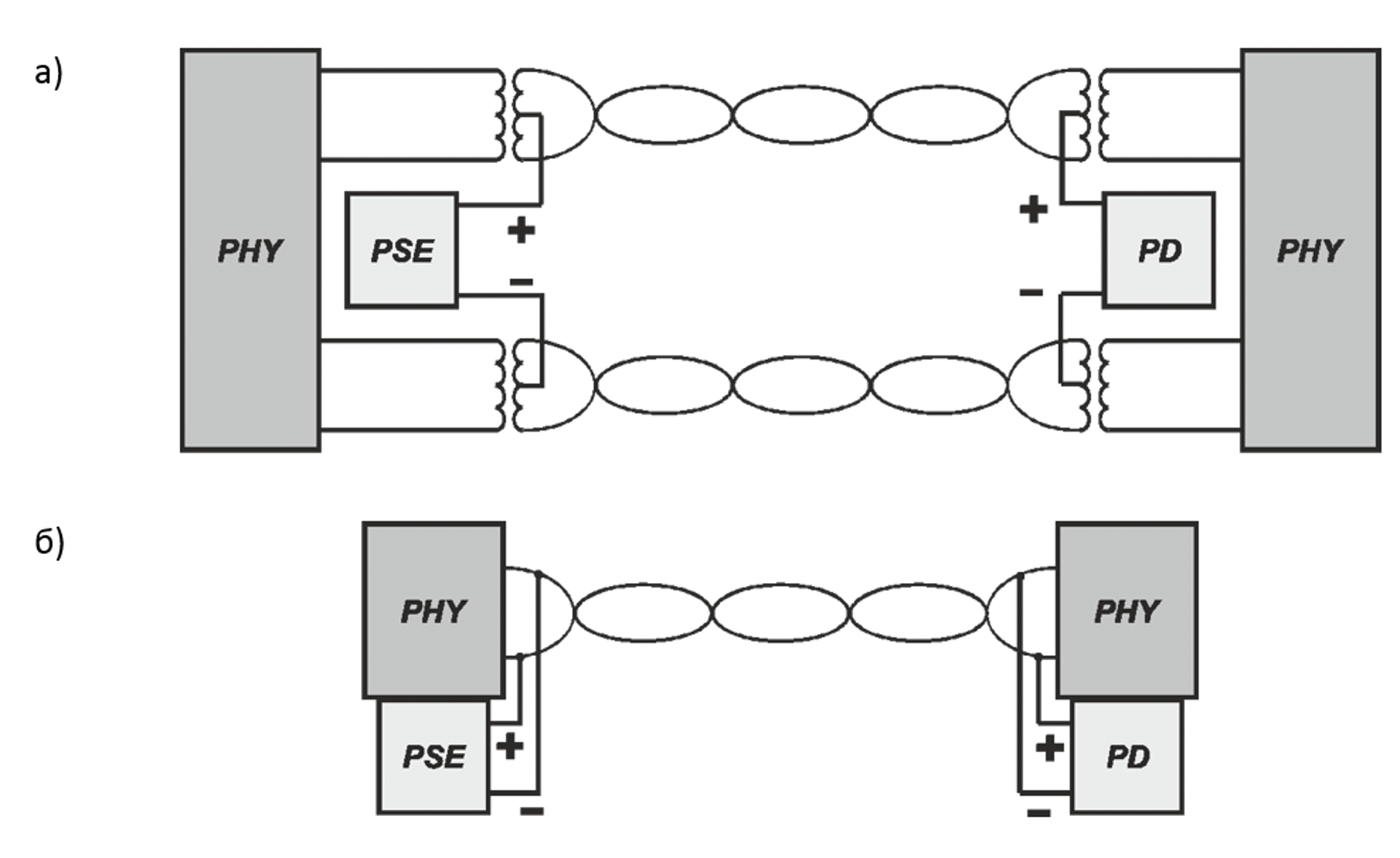
- перспективного однопарного Ethernet, которое реализуется на иных принципах, Рис. 1б;
- т.н. пассивного РоЕ, которое осуществляется по свободным парам с привлечением для этого навесного не интеллектуального адаптера.
Техника указанных разновидностей требует специального рассмотрения в рамках отдельной публикации.
Что касается собственно системных особенностей, то первая из них– обязательное наличие у источника РоЕ штатного бортового контроллера, существенно расширяющего функциональные возможности устройства. Минимальный перечень выполняемых им процедур стандартизован спецификациями IEEE 802.3af, IEEE 802.3at и IEEE 802.3bt. Известен также ряд близких к ним систем, среди которых наибольшую известность получила UPоE компании Cisco.
В процессе своего функционирования контроллер:
- определяет наличие на противоположном конце линии приемника РоЕ;
- постоянно отслеживает мгновенный ток потребления терминального устройства и снимает питающее напряжения как при превышении предельно допустимого значения (интерпретируется как перегрузка), так и при прерывании протекания тока на протяжении не менее чем в 300 мс, (считается отключением нагрузки);
- проверяет общую мощность, отдаваемую источником, и при превышении предельно допустимого значения принудительно отключает избыточные потребители.
При реализации последней функции алгоритм отключения нагрузок фиксирован или может меняться пользователем за счет соответствующих настроек контроллера (оборудование старших классов).

Рис. 1. Особенности реализации дистанционного питания по технологии PoE: а) многопарные тракты; б) однопарные тракты
Принцип внедрения техники РоЕ в новые и ранее построенные ИКС основан на наложении соответствующей техники на электропроводные линии из витых пар за пределами стационарной линии (permanent link) в том смысле, который зафиксирован в стандартах на структурированную проводку. При этом сам источник питающего напряжения потенциально может быть:
- выполнен в виде встроенного модуля коммутатора ЛВС;
- реализован как конструктивно самостоятельный инжектор, который включается между коммутатором и панелью СКС по схеме кросс-коннекта;
- интегрирован в коммутационную панель.
В реальных сетях доминирующее значение имеет первый вариант, схематически показанный на Рис. 2а.

Рис. 2. Варианты построения классических электропроводных кабельных трактов при использовании технологии PoE: а) в случае наличия у коммутатора встроенного модуля РоЕ (решение класса DTE PSE – от англ. Data Terminal Equipment); б) при исполнении инжектора PSE как внешнего промежуточного устройства (Midspan PSE); в) при реализации инжектора PSE в форме коммутационной панели
Данное обстоятельство форсированно определяет тип используемого интерфейса, функции которого возложены на «широкую», т.е. 8-контактную розетку модульного разъема с разводкой RJ45. Крайне редко устанавливаемые в панелях 10-контактные варианты этих розеток и розетки с дополнительными нештатными контактами в данном случае не рассматриваются, т.к. техника РоЕ предполагает использование только максимум четырех пар, подключаемых к 8-контактной розетке.
При работе с оборудованием традиционного двух- и четырехпарного Ethernet технология РоЕ использует фантомную схему подачи напряжения питания на терминальное устройство. Вне зависимости от варианта питания в качестве как прямого, так и обратного проводов замкнутой цепи используется витая пара целиком. Принцип взаимодействия приемника и передатчика в этом случае представлен на Рис. 1а. С учетом изначально чрезвычайно малой омической несимметрии проводов витых пар стационарных линий и трактов это позволяет
- без изменения конструкции витой пары хотя бы в части увеличения диаметра токопроводящей жилы вдвое увеличить максимальный ток, подаваемый в терминальное устройство;
- добиться такого уровня развязки цепей подачи питания и передачи информационных сигналов, при котором их взаимное влияние не существенно на инженерном уровне строгости.
На выбор фантомной схемы подачи питания существенное влияние оказала обязательность применения в сетевых интерфейсах аппаратуры локальных сетей линейных трансформаторов гальванической развязки. Это позволяет свести их доработку к выполнению отвода от средней точки на передающем и приемном концах.
По мощности потребления приемники РоЕ делятся на классы, наличие которых позволяет максимально полно использовать доступную мощность источника PSE (от англ. Power Sourcing Equipment). Система классов
- сформирована по открытой схеме и позволяет вводить новые по мере возникновения такой необходимости и появления технической возможности;
- выстроена таким образом, что обеспечен бесшовный переход от младшего класса к старшему.
Класс мощности определяется в момент подключения нагрузки в процессе выполнения достаточно сложной процедуры начальной настройки источника (англ. discovery process) с максимальной продолжительностью порядка 1 с. Во время ее реализации контролируется сама возможность подачи на нагрузку PD (от англ. Powered Device) дистанционного питания, проверяется допустимая мощность и находятся иные параметры. Для определения класса мощности в приемник PD вводится дополнительный 25-килоомный тестовый резистор. Соответствующие настройки осуществляются по результатам замера тока, проходящего через этот резистор, при кратковременной подаче в предполагаемую цепь питания калиброванного тестового сигнала напряжением от 14,5 до 20,5 В перед началом работы.
Чем и как контролировать РоЕ?
Как и любое иное сложное техническое устройство, оборудование РоЕ должно обеспечивать возможности текущего контроля в процессе эксплуатации. Соответствующие процедуры потенциально могут быть выполнены уже известными приборами или возложены на специализированное оборудование.
Представленный выше алгоритм взаимодействия источника с потребителем, а также схема подачи питающего напряжения на нагрузку исключают возможность выполнения этой процедуры бытовым электрическим тестером (мультиметром). Данное утверждение основано на следующих соображениях:
- отсутствие в мультиметре соответствующего нагрузочного резистора, что делает невозможным корректную инициализацию источника PSE;
- сложность доступа штатными щупами прибора к отдельным контактам розетки модульного разъема из-за особенностей раскладки отдельных проводов витых пар, Рис. 3;
- применение фантомной схемы подачи напряжения питания с подключением полюсов источника одновременно к двум проводам витой пары;
- наличием возможности функционирования источника как по 2-, так и 4-парной схемам, тогда как тестер реализует проверку только двухконтактных (де-факто однопарных) цепей.

Рис. 3. Наиболее популярные на практике варианты раскладки проводов витых пар по контактам розетки модульного разъема
Все это в комплексе означает необходимость включения в состав рабочих инструментов системного администратора ИКС как минимум среднего масштаба специализированного полевого контрольного устройства. Наличие соответствующей техники позволяет выполнять проверку работоспособности оборудования РоЕ, осуществлять профилактику отказов, локализовывать места неисправностей и решать иные аналогичных задачи.
Для измерения напряжения пассивного PoE, в котором напряжение в линию подается независимо от того подключена к ней нагрузка или нет, часто применяют и мультиметр. Однако даже этом случае есть ряд ограничений:
- Сложность в подключении. В силу небольших габаритов розетки RJ45, щупами мультиметра проблематично подключиться к нужной паре проводов для проведения измерений. Для этого можно использовать специализированный разветвитель Paladin Tools PA1902 или самостоятельно изготовить разветвитель их разрезанного пополам патчкорда.
- Измерить таким образом можно только напряжение холостого хода, которое наверняка снизится после подключения нагрузки. А соответственно такие измерения нельзя назвать точными.
Требования к конструктивному исполнению устройств контроля РоЕ и их иерархия
Базовые требования к устройству контроля РоЕ, которые во многом определяют его конструктивное исполнение, очевидны. Соответствующий измерительный прибор должен:
- быть малогабаритным и удобным в работе переносным прибором с батарейным питанием;
- обладать интуитивно понятным интерфейсом;
- обеспечивать переход между режимами измерения конкретных характеристик с минимальным количеством ручных манипуляций органами управления.
С учетом достигнутого технического уровня и опыта, накопленного в процессе создания оборудования для оперативного полевого контроля ИКС, тестирующее устройство конструктивно может быть выполнено
- в виде съемной приставки к иному измерителю, который питает ее схемы постоянным током, выполняет соответствующие начальные настройки, осуществляет обработку сигналов и представления результатов измерения.
- в форме самостоятельного специализированного прибора;
- как встроенный модуль кабельного сканера или тестера ЛВС общего назначения.
Измерительная приставка может одеваться на основной разъем или включаться в дополнительный слот полевого кабельного сканера или тестера ЛВС. При достигнутом на сегодняшний день уровне техники сама приставка вполне может быть выполнена достаточно миниатюрной. Однако, исполнение измерителя в форме ручного прибора делает крайне затруднительным введение в него большого количества слотов под сменные дополнительные модули с реализацией концепции “функция на борту”. Одевать же модуль на основной разъем неудобно с эксплуатационной точки зрения. Все это в комплексе приводит к малой практической популярности такого исполнения.
Столь же редко на практике встречаются узко специализированные измерители РоЕ. Причиной такого положения дел в данном случае становится относительно небольшой объем реализуемых им функций. Переход на полноценное исполнение как самостоятельного прибора имеет смысл только в том случае, если он ориентирован на выполнение расширенного перечня функций, например, измерять фактическую мощность потребления терминального устройства.
Представленные соображения делают наиболее популярным реализацию измерителя в форме встроенного модуля. Этому дополнительно способствуют относительно небольшие габариты гнезда модульного разъема, которое используется в качестве физического интерфейса прибора.

Рис. 4. Схема подключения тестера РоЕ в процессе контроля системы дистанционного питания: а) к классическому кабельному тракту; б) к кабельному тракту MPTL
Приемник PD системы дистанционного питания не оказывает на источник PSE никакого обратного влияния, за исключением, может быть, величины создаваемой на него нагрузки. Данное свойство означает
- возможность определения характеристик источника только с дальнего конца линии;
- отсутствие необходимости разбиения измерителя в любой форме его реализации на базовый и удаленный блоки по образцу кабельных сканеров;
- целесообразность выполнения физического интерфейса измерителя на основе розетки модульного разъема (RJ45).
Такое исполнение выгодно по следующим основным причинам:
- тестируется полный тракт передачи ток дистанционного питания с конкретными коммутационными шнурами вне зависимости от схемы его реализации (классический или MPTL, Рис. 4).
- полностью снимается проблема механической совместимости устройства с виторпарным кабельным трактом для подключения терминального устройства, а само подключение осуществляют штатным коммутационным шнуром.

Рис. 5. Иерархия технических средств эксплуатационного контроля параметров дистанционного питания РоЕ
Инвариантность по отношению к схеме построения линии особенно важна в свете быстрого роста популярности организации в современных офисах так называемых цифровых потолков. Их характерная особенность – большое количество расположенных в верхней части помещения дистанционно питаемых терминальных приборов, подключаемых к ИКС по схеме MPTL (англ. Modular Plug Termination Link), ранее direct connection с исполнением интерфейса для подключения терминального прибора в форме вилки модульного разъема.
Иерархия измерителей PoE, реализуемые ими базовые функции и способы представления результатов
Массовое распространение технологии РоЕ в сетях различного масштаба и высокая практическая потребность в тестовом оборудовании для его эксплуатационного контроля привела к широкому предложению соответствующей техники. Все ее многообразие можно классифицировать с разбиением по отдельным классам и представлением в иерархической форме, Рис. 5. Справедливости ради отметим, что четкую границу между классами провести не удается и отнесение конкретного устройства к определенному из них зачастую является достаточно условным.
Простейшие малогабаритные устройства младшего класса, которые объединяются в группу РоЕ-детекторов, обычно выполняются в виде специализированных устройств. Их функционал сводится преимущественно к выявлению наличия напряжения дистанционного питания на витых парах. Средством индикации служат светодиоды. Функциональные возможности иногда несколько расширяют изменением цвета свечения, который указывает на режимы работы источника и нахождение выходного напряжения на нагрузки в заданных стандартом пределах.
Известно два подхода к увеличению информативности представления результатов измерения младшими устройствами.
Первый из них основан на комплектации РоЕ-детектора однострочным цифровым дисплеем с выводом показаний в режиме бегущей строки.
В основу второго подхода положено применение в качестве дисплея экрана смартфона или планшета. Данный вариант реализован, например, в устройстве LinkSprinter 300, при использовании которого смартфон (планшет) и РоЕ-детектор связываются между собой по прямому WiFi-каналу, Рис. 6.

Рис. 6. PoE-детектор типа NetAlly LinkSprinter 300 (ранее Fluke Networks) и пример вывода его показаний на экран смартфона
РоЕ индикаторы, иногда называемые верифицирующими устройствами, выделяются в группу моделей среднего класса. Их визуальным признаком является полноценный графический ЖК дисплей, на который выводятся измеряемые параметры. Для увеличения информативности показания численные значения параметров обычно активно дополняются пиктограммами и/или графическими схемами. При необходимости возможно предоставление также считываемого из памяти прибора полноценного отчета по измерениям, пример которого приведен на Рис. 7.

Рис. 7. Пример отчета по измерению параметров системы дистанционного питания (верхняя часть экрана измерителя)
В качестве примеров оборудования рассматриваемой группы можно указать MicroScanner PoE Cable Verifier от компании Fluke Networks и LinkRunner G2 от компании NetAlly (ранее Fluke Networks, NetScout). Главное отличие между ними заключается в том, что в качестве прототипа MicroScanner PoE использован кабельный сканер младшего класса, который работает на физическом уровне сети. В отличие от своего аналога LinkRunner G2 является полноценным интеллектуальным сетевым тестером и предназначен для работы на канальном и сетевом уровнях. Тестирование РоЕ в вариантах IEEE (РоЕ и РоЕ+) и Cisco (UPoE) на мощностях вплоть до 60 Вт является для него одной из многих функций и выполняется в виде специализированной процедуры TruePower с полноценным моделированием нагрузки в режиме автотеста.
Сравнительно небольшой объем контрольных процедур как в области РоЕ, так и в части структурированной проводки и ЛВС дает возможность пойти по пути совмещения функций без значимого ухудшения массогабаритных показателей.
К моделям старшего класса целесообразно относить те разновидности приборов, которые обладают расширенными функциональными возможностями. К одной из таких функций можно смело отнести измерения фактической мощности, которая потребляется нагрузкой.

Рис. 8. Схема подключения измерителя при определении фактической мощности потребления терминального устройства
В перечень обязательных контролируемых параметров у моделей среднего и старшего классов включаются:
- класс мощности источника;
- разновидность источника (по спецификации IEEE, т.е. активное РоЕ - пассивное РоЕ);
- фактическое напряжение, отдаваемое источником;
- пары, на которые подается напряжение;
- полярность напряжения, подаваемого на конкретные пары.
При определении фактической мощности потребления терминального устройства измеритель в обязательном порядке включается по схеме “на проход” так, как это изображено на схеме Рис. 8. Это позволяет, наряду с напряжением измерить фактическое значение потребляемого тока и рассчитать мощность нагрузки.
Разработчики много внимания уделяют вопросам обеспечения предельной дружественности тестирующей техники для пользователя. В качестве иллюстрации конкретных шагов в этом направлении кроме типовых шагов по применению ударопрочного корпуса, применения темляка и других аналогичных решений сошлемся также на то, что
- вне зависимости от уровня устройства всегда обеспечен очень высокий уровень автоматизации измерений, полный цикл которых выполняется однократным нажатием на кнопку запуска;
- удобство в работе моделей младших классов достигается тем, что краткая инструкция с интерпретацией цветов свечения светодиодов наносится непосредственно на корпус;
- способность тестера создавать корректную нагрузку для РоЕ используется также в процессе подзарядки аккумулятора прибора.
Заключение

Достигнутый уровень техники позволяет констатировать следующее
- Выполнение полноценного текущего эксплуатационного контроля систем дистанционного питания РоЕ возможно только с помощью соответствующего специализированного оборудования.
- Измеритель параметров системы дистанционного питания РоЕ должен включаться в перечень штатного тестирующего оборудования администратора современной ИКС среднего и тем более, большого масштаба.
- Замена специализированных измерителей бытовыми мультиметрами невозможна.
- В процессе практической работы целесообразно пользоваться устройствами как минимум среднего, а лучше старшего класса, которые предоставляют информацию о основных текущих параметрах цепей подачи дистанционного питания.
Появились вопросы или нужна консультация? Обращайтесь!

Вечный параноик, Антон Кочуков.
См. также:

.jpg)
.jpg)

Авторизуйтесь для этого